모조리 화학 세정기

  • 화학 세정기

화학 세정기

화학 세정기는 고급 세정 필터입니다. 일반포장의 특수한 구조와 넓은 비표면적을 대량이송 및 탈수포장으로 사용하는 제품입니다. 동시에 냄새의 다양한 냄새 원인 성분에 따라 해당 산, 알칼리 및 산화제를 흡수 세척액으로 사용하여 공간의 냄새를 제거하고 주변 환경에 미치는 영향을 제거합니다.

악취가 나는 공기 흐름은 공기 덕트를 통해 운반되어 타워 입구에서 타워로 들어갑니다. 타워에 들어간 후 아래에서 위로 포장층을 통과하고 마지막으로 부식 방지 팬을 통해 타워 상단 파이프라인 출구에서 배출됩니다. 중화용액은 탑 상부 액분리기를 통과하여 패킹층 내부로 고르게 분사되고, 패킹층 표면을 따라 아래로 흘러 배관을 통해 탑 바닥에서 배출되며, 부식방지 순환펌프에 의해 순환됩니다. 상승하는 기류 중 용질의 농도가 점점 낮아짐에 따라 탑 꼭대기에 도달하면 정화 기능이 이루어지며, 배출되거나 다음 단계를 통해 계속해서 정화됩니다. 반대로, 하강하는 액체 중의 매체 농도는 점점 높아지며, 탑 바닥에 도달하여 탑에서 배출되면 공정 조건에 도달하게 됩니다.

스프레이 포장 타워의 장점: 효율성이 높고 액체 보유 용량이 작으며 무게가 가볍고 조작이 쉬워 작업자가 즉시 작업을 시작할 수 있습니다. 필러는 고객이 제공하는 작업 조건에 따라 선택할 수 있습니다. 종류는 다양하며 일반적으로 부식 방지 볼링이 사용됩니다. 그러나 고형 부유물은 입자 직경이 크기 때문에 충진재를 막힐 수 있으므로 일반적으로 고형물 처리에는 적합하지 않다는 점에 유의해야 합니다. 예를 들어, 공장에서 발생하는 NH₃, HCl, H2S, 질소산화물, 유기성 폐가스 등을 이 장비로 효과적으로 처리할 수 있습니다.

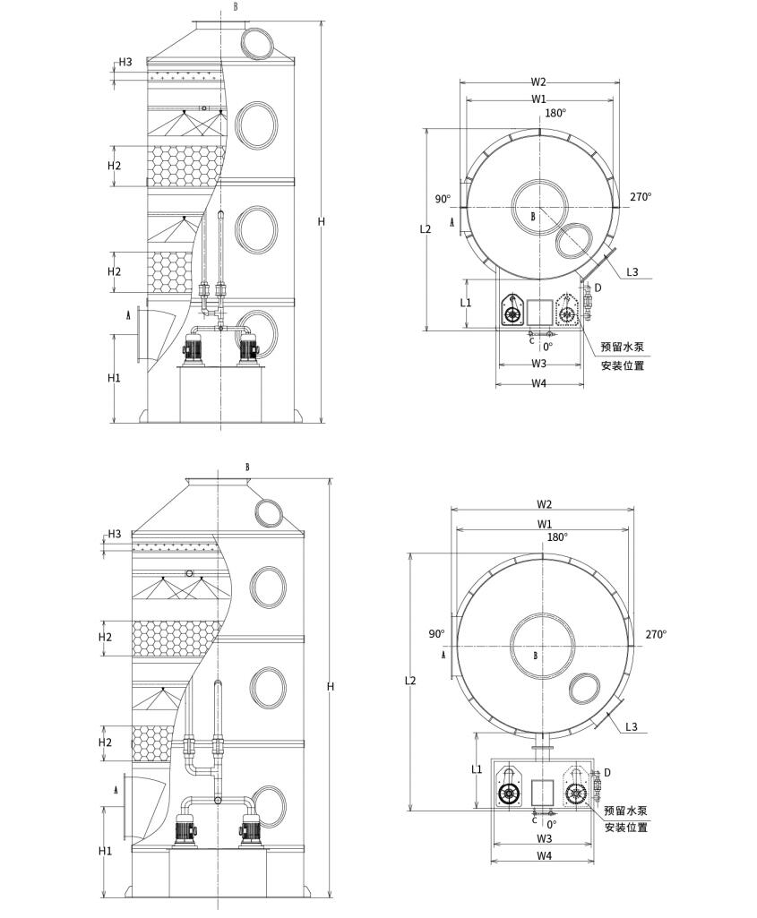
화학 세정기 구조:
그림에 표시된 대로: 전체 포장 스프레이 스크러빙 시스템에는 다음 구성 요소가 포함됩니다.

1. 타워 본체는 PP(폴리프로필렌) 시트로 만들어졌습니다.

2. PP 격자 패널로 만든 포장 지지 프레임;

3. UPVC로 만든 스프레이 연결 파이프;

4. PP 나선형 노즐;

5. 중공 볼 또는 폴 링 패킹;

6. 부식 방지 PP 순환 펌프;

7. 메쉬 디미스터 층;

8. 수동 및 자동 물 보충 장치;

9. 오버플로 및 배수관;

10. 검사창.

화학 세정기 선택:
포장된 스프레이 스크러버의 기술 매개변수 표

운송 편의성과 안전성을 보장하기 위해 PP 포장 스프레이 스크러버는 두 가지 유형으로 나뉩니다.

유형 1: 일체형 물탱크 포장 스프레이 스크러버(타워 직경: Φ1000mm-Φ2200mm)

Type 2 : 분할형 수조 충진 스프레이 스크러버 (타워 직경 : Φ2500mm-Φ3500mm)


공기 흐름 용량에 해당하는 모델 사양:

모델 풍량 장치 크기 워터 펌프 동력 충전 두께 풍속 장비 재료
LRTL-600 0-1500m3/h Φ600x3000 0.75kw 500*2 1.48m/초 PP/304/Q235/FRP
LRTL-800 1501-2500m3/h Φ800x3000 0.75kw 500*2 1.39m/초 PP/304/Q235/FRP
LRTL-1000 2501-4000m3/h Φ1000x5000 1.5kw 500*2 1.42m/초 PP/304/Q235/FRP
LRTL-1200 4001-6000m3/h Φ1200x5000 2.2kw 500*2 1.48m/초 PP/304/Q235/FRP
LRTL-1500 6001-9500m3/h Φ1500x5000 3.75kw 500*2 1.5m/초 PP/304/Q235/FRP
LRTL-1800 9501-14000m3/h Φ1800x5000 5.5kw 500*2 1.53m/초 PP/304/Q235/FRP
LRTL-2000 14001-17000m3/h Φ2000x6000 5.5kw 500*2 1.5m/초 PP/304/Q235/FRP
LRTL-2200 17001-20000m3/h Φ2200x6000 7.5kw 500*2 1.46m/초 PP/304/Q235/FRP
LRTL-2500 20001-27000m3/h Φ2500x6000 7.5kw 500*2 1.53m/초 PP/304/Q235/FRP
LRTL-2800 27001-33000m3/h Φ2800x6000 15kw 500*2 1.49m/초 PP/304/Q235/FRP
LRTL-3000 33001-38000m3/h Φ3000x6800 15kw 500*2 1.49m/초 PP/304/Q235/FRP
LRTL-3200 38001-44000m3/h Φ3200x6800 15kw 500*2 1.52m/초 PP/304/Q235/FRP
LRTL-3500 44001-55000m3/h Φ3500x6800 15kw 500*2 1.5m/초 PP/304/Q235/FRP

참고: 비표준 디자인은 고객 요구 사항에 따라 맞춤화될 수 있습니다.

선택 다이어그램:

항저우 Lvran 환경 보호 그룹 유한 회사

  • 1000+

    서비스 단위 고객

  • 2000+

    국가 엔지니어링 사례

Hangzhou Lvran Environmental Protection Group Co., Ltd. 당사는 연구 개발, 기술 서비스, 설계, 생산, 엔지니어링 설치 및 사후 서비스를 통합하는 종합 폐가스 처리 시스템 엔지니어링 서비스 제공업체이자 장비 제조업체입니다.

우리는 중국 화학 세정기 공급업체 그리고 모조리 화학 세정기 수출업체, 회사. 이 그룹은 국가 지정 첨단 기술 기업이자 저장성 과학기술 기업, 지역 연구 개발 센터이며, AAA 등급의 신용 등급을 보유하고 있습니다. 또한 30개 이상의 실용신안 특허와 다수의 발명 특허, 그리고 소프트웨어 저작권을 보유하고 있습니다. 그룹은 안후이 과학기술대학교와 함께 설립한 "환경 혁신 연구개발 센터"와 저장 과학기술대학교와 공동 개발한 "플라즈마 에너지 및 환경 신기술 연구개발 센터"를 비롯하여 국내 대학 및 기관과 오랜 기간 기술 연구개발 협력을 유지해 왔습니다. 그룹은 심도 있는 기술 협력을 위해 자체 연구 개발 및 생산 기지를 설립했습니다. 그룹은 핵심 VOC 가스 처리 기술을 보유하고 있으며, 시립 공공사업 건설 2급 일반 계약 자격, 안전 생산 허가, 저장성 환경 오염 제어 B급 특수 설계 자격, 무분류 노동 서비스 자격 및 특수 프로젝트 전문 계약 자격을 보유하고 있습니다. 이 그룹은 국제 품질 관리 기준인 ISO9001, 환경 경영 기준인 ISO14001, 그리고 산업 안전 보건 기준인 ISO45001 인증을 획득했습니다.

명예 및 증서

다음은 저희 회사의 뛰어난 역량을 보여주는 수상 경력입니다. 저희는 고품질 제품으로 고객을 확보하고, 훌륭한 서비스로 시장과 각계각층으로부터 높은 평가를 받고 있습니다.

  • 표면을 따라 누출을 방지하기 위한 판형 고전계 기본유닛 및 리액터
  • 이산화탄소와 물을 이용하여 메탄올을 합성하는 반응장치 및 이산화탄소와 물을 이용하여 메탄올을 합성하는 방법
  • 자가세정형 전기집진기
  • 풍향조절 기능을 갖춘 부식방지 고압팬
  • 조정 가능한 자가 청소 대용량 팬
  • 복합촉매가스화 배기가스 전처리 제어 시스템
  • 스팀청소 연속 정전기장 배기가스 정화 및 처리 시스템
  • 저온 플라즈마 UV 광분해 배기가스 정화 설비 시스템
  • 상표등록증
최근 뉴스 및 이벤트
여러분과 공유하겠습니다.
더 많은 뉴스 보기
  • 09 Apr,2026

    백하우스 집진기는 어떻게 산업 안전을 최적화합니까?
    백하우스 집진기 이해 산업 대기오염 관리 분야에서는 백하우스 집진기 일차적인 방어 메커니즘으로 작용합니다. 이 시스템은 산업 배기 흐름에서 입자상 물질을 제거합니다. 엔지니어는 엄격한 환경 규정을 충족하도록 이러한 시스템을 설계합니다. 이는 공장 직원의 안전한 작업 환경을 보장합니다. ...
  • 02 Apr,2026

    귀하의 시설에 적합한 집진기 장비를 선택하는 방법은 무엇입니까?
    산업 시설에서는 생산 효율성을 최적화하는 동시에 깨끗한 공기 기준을 유지해야 한다는 압력이 커지고 있습니다. 적절한 선택 집진기 장비 미립자 특성, 공기 흐름 역학 및 규정 준수에 대한 깊은 이해가 필요합니다. B2B 구매자 ​​및 도매 유통업체의 경우 이러한 결정은 운영 비용, 작업자 안전...
  • 23 Mar,2026

    어떤 화학 세정기가 산성 가스를 가장 잘 제거합니까?
    화학 세정기 시스템은 제어된 화학 반응을 통해 유해 가스 배출을 중화하여 환경 규정 준수와 작업자 안전을 모두 보호합니다. 이 기술 시험에서는 산업 조달 팀을 위한 흡수 메커니즘, 시스템 설계 매개변수 및 운영 최적화를 다룹니다. 기체-액체 분리 기초 습식 대 건식 스크러빙 기술 ...
  • 16 Mar,2026

    활성탄 흡착 장비란 무엇입니까?
    활성탄 흡착 장비 활성탄의 매우 높은 표면적과 기공 구조를 사용하여 물리적, 화학적 흡착 메커니즘을 통해 가스 또는 액체 흐름에서 유기 오염 물질, 휘발성 유기 화합물(VOC), 악취 가스 및 용해된 오염 물질을 제거하는 산업용 공기 및 물 정화 시스템입니다. 전 세계적으로 환경 규제가 강화되...
  • 10 Mar,2026

    Baghouse 집진기를 설계하는 방법은 무엇입니까?
    시스템 크기 조정의 기본 효율성 백하우스 집진기 초기 설계 매개변수의 정밀도에 따라 결정됩니다. 잘못된 크기로 인해 먼지 포집이 불충분해지고, 운영 비용이 과도해지고, 구성 요소가 조기에 고장날 수 있습니다. 엔지니어와 조달 관리자의 경우 공기 흐름 및 여과 매체의 물리학을 이해하는 것...